Основные характеристики Тройник редукционный латунный Uponor Minitec Q&E 20х9.9х20 Uponor
Цена: 300 грн
Бренд: Uponor
Категория: Фитинги 
Страна-производитель: Украина
Характеристики и комплектация могут быть изменены производителем. Цвет изделия может отличаться из-за настроек монитора.
Фото Тройник редукционный латунный Uponor Minitec Q&E 20х9.9х20 Uponor

Описание

Тройник редукционный поставляется в комплекте с кольцами из сшитого полиэтилена, которые обеспечивают герметичность и надежность соединения. Кольца из сшитого полиэтилена являются прочными и долговечными, что обеспечивает надежную защиту от утечек и обеспечивает долгий срок службы соединения.

Основные характеристики тройника редукционного латунного Uponor Q&E 1020524 Ø20х9.9х20:

  • Диаметр: 9.9 мм (для одной трубы) и 20 мм (для двух труб)
  • Материал: латунь
  • В комплекте с кольцами из сшитого полиэтилена

Этот тройник имеет простую и удобную конструкцию, что облегчает его установку и монтаж. Он обеспечивает герметичное и надежное соединение труб, что делает его идеальным выбором для использования в различных сантехнических системах.

Применение тройника редукционного латунного Uponor Q&E 1020524 Ø20х9.9х20:

  • Водоснабжение: этот тройник может использоваться для соединения труб в системах холодного и горячего водоснабжения, обеспечивая надежное и герметичное соединение.
  • Отопление: он также подходит для применения в системах отопления, где требуется переход от одной трубы к двум другим разного диаметра.
  • Кондиционирование воздуха: этот фитинг может использоваться в системах кондиционирования воздуха для соединения труб и обеспечения их надежной работы.

Тройник редукционный латунный Uponor Q&E 1020524 Ø20х9.9х20 соответствует всем необходимым стандартам качества и безопасности, что подтверждается соответствующими сертификатами и испытаниями. Он является надежным и долговечным компонентом для вашей сантехнической системы, который обеспечивает надежное и безопасное соединение труб и гарантирует эффективную работу вашей системы в течение долгого времени.


  • Тип товара: тройник редукционный
  • Тип фитинга: переходник
  • Материал: латунь
  • Диаметр переходника: 20х9.9х20 мм
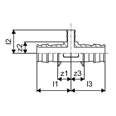
  • Длина, L1: 36 мм
  • Длина, L2: 25 мм
  • Длина, L3: 36 мм
  • Значение, z2: 12 мм
  • Значение, z3: 14 мм
  • Серия фитингов: Quick&Easy
  • Производитель: Uponor (Германия)

Написать отзыв

Отзывы на сайте проходят модерицию, это может занять некоторое время.

Отзывы
(3 отзыва)

Павел
28.08.2020
У великих водах, що існують від віків, серед табунів мовчазної риби у шанованих риб'ячою громадою батьків, народилася балакуща риба.
Павел
28.08.2020
У великих водах, що існують від віків, серед табунів мовчазної риби у шанованих риб'ячою громадою батьків, народилася балакуща риба.
Павел
28.08.2020
У великих водах, що існують від віків, серед табунів мовчазної риби у шанованих риб'ячою громадою батьків, народилася балакуща риба.
Павел
28.08.2020
У великих водах, що існують від віків, серед табунів мовчазної риби у шанованих риб'ячою громадою батьків, народилася балакуща риба.